PL 端 AXI GPIO 的使用
PL 端 AXI GPIO 的使用
本实验示例工程为 ps_axi_gpio。尽管多次提到 GPIO 与 LED,GPIO 在 Zynq 平台的学习中属于基础且必要的内容。本文旨在展示 PS 与 PL 两端控制 GPIO 的多种实现方式:包括 PS 端 MIO、EMIO,以及 PL 端的 AXI GPIO(包括输入、输出和中断处理),以便理解 PS 与 PL 的协同工作机制。
在此前章节我们已使用 EMIO 从 PS 端控制 PL 侧 LED,本章演示一种替代方法:在 PL 中使用 AXI GPIO IP,通过 AXI 总线由 PS 端访问 PL 侧外设寄存器,从而控制 LED 并响应按键中断。该方法能体现 PS 与 PL 之间基于总线的交互方式,为复杂系统扩展提供可重复的设计模式。
AXI GPIO 原理与用途
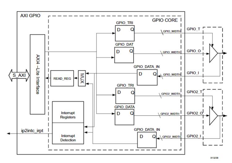
AXI GPIO IP 通常包含两个通道(channel1 和 channel2),每个通道可配置为输入或输出并提供数据寄存器、方向寄存器及中断相关寄存器,其主要功能是在 PL 侧以寄存器映射的方式向 PS 暴露 GPIO,使 PS 能通过 AXI 总线读写 PL 侧的外设状态、控制 LED 或接收按键触发,从而实现基于总线的软硬件协同设计模式。

硬件设计与 Vivado 配置要点
在 Vivado 中以 ps_hello 工程另存为 ps_axi_gpio 并打开 block design 添加 AXI GPIO IP,配置第一个 AXI GPIO 为输出(All Outputs)并将 GPIO Width 设为 4 以控制四个 LED,如需双通道可启用 Dual Channel;运行 Connection Automation 自动连线并进行路由优化,工具会自动加入 Processor System Reset 与 AXI Interconnect;为按键输入添加第二个 AXI GPIO 并启用 IP 中断(若需响应按键),若 PL 产生中断则在 Zynq PS 中启用 IRQ_F2P 并将 AXI GPIO 的 ip2intc_irpt 连接到 IRQ_F2P;保存并生成输出文件后在顶层文件中确认端口名(例如 leds_tri_o、keys_tri_i),并以这些端口名在 XDC 中进行管脚约束。
相关界面与操作示例见文档截图。



管脚约束与比特流导出
在生成的顶层端口名确认后,新建 XDC 文件(例如 led.xdc),并按实际开发板引脚进行管脚约束。示例如下(务必保证端口名与顶层文件一致;引脚号按目标板调整):
set_property IOSTANDARD LVCMOS33 [get_ports {leds_tri_o[3]}]
set_property IOSTANDARD LVCMOS33 [get_ports {leds_tri_o[2]}]
set_property IOSTANDARD LVCMOS33 [get_ports {leds_tri_o[1]}]
set_property IOSTANDARD LVCMOS33 [get_ports {leds_tri_o[0]}]
set_property PACKAGE_PIN J14 [get_ports {leds_tri_o[0]}]
set_property PACKAGE_PIN K14 [get_ports {leds_tri_o[1]}]
set_property PACKAGE_PIN J18 [get_ports {leds_tri_o[2]}]
set_property PACKAGE_PIN H18 [get_ports {leds_tri_o[3]}]
set_property IOSTANDARD LVCMOS33 [get_ports {keys_tri_i[0]}]
set_property PACKAGE_PIN M15 [get_ports {keys_tri_i[0]}]约束完成后生成比特流并导出包含 bitstream 的硬件平台(Export Hardware,Include bitstream)。

软件开发(SDK)与驱动使用说明
导出硬件后进入 SDK 创建应用以访问 AXI GPIO。常见实践包括使用 SDK 的示例(如 xgpio_example、xgpio_intr_tapp_example)来熟悉 API 调用与中断流程,AXI GPIO 的核心寄存器包括 GPIO_DATA(数据寄存器)、GPIO_TRI(方向/三态寄存器)、GIER(全局中断使能)、IP_IER(IP 中断使能)与 ISR(中断状态寄存器),这些寄存器的组合用于实现数据读写、方向配置及中断管理。通常建议优先使用 Xilinx 的驱动 API(如 xgpio.h)以获得良好的可移植性与可读性;在需要高性能或特定控制时可直接依据 system.hdf 中的 GPIO_BASEADDR 做寄存器偏移访问。
示例:创建名为 axi_led 的工程并导入 xgpio_example 示例,即可通过简单几行代码完成 LED 的点亮与翻转。若发现运行异常,注意 Run 配置中选择 Reset entire system,并勾选 Program FPGA(以确保比特流与硬件平台一致)。

寄存器直接操作说明与用途
对于简单单通道场景,直接操作寄存器更为高效明了。常用偏移示例为 0x0000 对应 GPIO_DATA(Channel1 数据寄存器,可读写),0x0004 对应 GPIO_TRI(Channel1 方向寄存器,用于设置输入/输出方向);GPIO_BASEADDR 可在 system.hdf 或 xparameters.h 中找到。直接寄存器访问的主要功能是提供最低开销的控制路径,适用于对延迟和开销敏感的场景,但会牺牲代码抽象与可维护性,建议在性能调优或低层驱动开发时使用。


PL 端按键中断与 ISR 处理要点
PL 向 PS 发送中断通常通过 IRQ_F2P 实现,流程包括在 Vivado 中为产生中断的 IP(如 AXI GPIO)启用中断输出并连接到 IRQ_F2P,在 SDK 中根据 xparameters.h 中定义的 device id 注册并使能中断、在 ISR 中读取并清除 IP 的中断状态寄存器以避免重复触发、以及在主程序中处理按键逻辑和响应。该流程的主要功能是将 PL 的物理事件(如按键按下)可靠地传递到 PS 的中断体系,实现低延迟响应与统一的软件处理框架。
示例:创建 key_test 工程,导入 xgpio_intr_tapp_example,并修改为实际的 device id 与中断号后,即可运行并在串口或调试控制台观察按键触发结果。


实验总结与扩展建议
本实验展示了通过 AXI 总线在 PS 侧以软件方式控制 PL 侧外设的典型流程,包括 IP 集成、地址映射、寄存器访问與中断处理,AXI GPIO 提供结构化的寄存器接口便于软件管理 PL 外设。在更复杂或高吞吐场景下,建议结合 AXI DMA、FIFO 或在 PL 侧实现特定数据通路以提升性能,设计时也应关注地址规划与 Address Editor 中的分配规则。
知识扩展与参考
在设计完成后,可使用 Address Editor 查看 AXI 外设地址分配并根据需要调整偏移(注意修改受限规则,详细见 UG585 的 System Address 章节);使用 IP 时应查阅相应的 Product Guide 以获取寄存器定义、使用范例和调优建议,DocNav 等文档工具可用于在线或离线查阅资料以便开发期间参考。

